Caractéristiques
- Charge maximum: 1000
- Caractéristiques: Roues
- Longueur: 12
DESCRIPTION:
Grue à portique mobile 1 tonne.
Cette grue mobile est idéale pour toutes sortes de travaux de levage, de montage et d’assemblage dans des endroits où il n’y a pas de pont roulant fixe.
Utilisable avec une pince à poutre ou avec un chariot mobile et un palan.
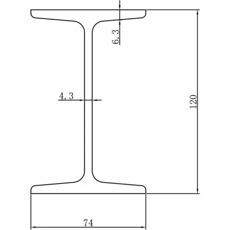
Caractéristiques : Réglable en hauteur de 2400 à 3600 mm Roues pivotantes avec frein Stable et sûre, mais compacte et facile à déplacer Poutre supérieure renforcée et poutre de roues avec lattes transversales Dimensions de la poutre 74 x 120 mm


















Avis
Il n’y a pas encore d’avis.